microCore
(Libero
adattamento del testo "The Microcore" del 25.10.98 tratto
dal sito di Ben Hitchcock )
Il concetto del microcore e' molto ingegnoso. Usando appena una manciata di componenti, tu puoi costruire la circuiteria di controllo per un robot deambulante che percepisce l'ambiente in cui si trova e di conseguenza corregge la sua andatura . L'ingegnosita' sta nel fatto che il circuito e' dannatamente semplice!
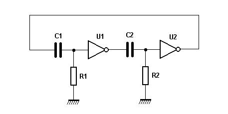
Il circuito consiste di tanti inverter (neuroni) quanti vuoi, agganciati uno dietro l'altro. Ogni "neurone" consiste di un condensatore, un gate (inverter) ed una resistenza. Il condensatore connette l'uscita di un gate all'ingresso del gate che segue. Vediamo cosa succede in un neurone:
Fase 1. Il condensatore e' scarico, l'ingresso dell'inverter e' a 0 volt e l'uscita e' alta (5 volt) perche' il chip e' un invertitore.
Fase 2. Se noi connettiamo il lato libero del condensatore a 5 volt, il pin di ingresso del gate verra' a sua volta connesso a 5 volt (il condensatore e' un corto circuito in quanto scarico) e l'uscita del gate andra' repentinamente a 0 volt.
Fase 3. Se aspettiamo per un po', la resistenza lentamente carichera' i condensatore che lentamente riportera' l'ingresso del gate verso 0 volt.
Fase 4. L'ingresso del gate raggiungera' la tensione di circa 2.1 volt e l'uscita del gate ritornera' alta di nuovo. La resistenza continuera' a mandare l'ingresso del gate verso lo 0 volt.
Se noi connettiamo l'uscita del gate 1 al lato libero del condensatore del gate 2, allora si ripeteranno le fasi da 2 a 4 con il gate 2. Se l'uscita del gate 2 viene connesso al lato libero del condensatore del gate 1, allora il processo si ripetera' ancora e avremo costruito un biCore . (noi in elettronica lo chiamiamo multivibratore astabile (ndr) .
I valori del circuito RC determinera' la velocita' con cui questo impulso viaggera' tra i due neuroni. Quindi aumentando il valore di R o di C o di entrambi, la costante di tempo ( t = r c ) aumentera' ed il processo rallentera', diminuendo il valore di R o di C o di entrambi, la costante di tempo ( t = r c ) diminuira' ed il processo sara' piu' veloce.
Se noi collegheremo in questo
modo 4 neuroni avremo realizzato il microCore
tipico e vedremo questo impulso
viaggiare da un neurone all'altro fintanto che il circuito sara'
alimentato.
|
|
|
|
|
|
|
|
|